江苏同方公司的宗旨:

以专业的生主,先进合理的设计,精良的工艺装备,全方位的科学管理,高品质上乘产品,用户至上精神意识,完善优越的售后服务,来回报有关专家及用户对同方公司产品热情选择。

   您现在的位置:江苏同方机械制造有限公司 >> 管壳式换热器 >> 浏览详细内容
联系方式
江苏同方机械制造有限公司

传  真:0523-88698298

    0523-88694333

产品展示
  • 膨胀节系列
  • 弹性伸缩器用户业绩
  • 补偿器用户业绩
  • 软管用户业绩
  • 管壳式换热器
  • 板式换热器
  • 降膜式冷却器
  • 其他产品
  • 生产加工体系
  • 对外加工波纹管系列
  • 热交换器系列
  • 环境代理产品
  • 阀门、闸门系列
  • 产品展示www.jstfjx.com
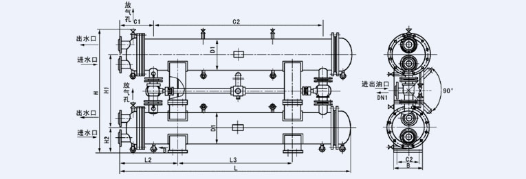
      产品名称:  双联式冷却器
      产品编号:  
      产品型号:  
      市场价格:  
      销售热线: 0523-88698466
      发布时间:  2018-05-13 21:10:42
      浏览次数:  4959
    • ../UploadFile/Products/201805/201805132112195676.jpg
    • ../UploadFile/Products/201805/201805132112194104.jpg
     


    ☆ 结构特点:            

    ● 由两只相同的油冷却器和三通阀装置构成,一只工作,一只备用,可在运行中检修一组而不需要停机;                

    ● 压降较小,抗水冲击性强;                

    ● 结构合理,能在较大温度变化范围内保持出油温度稳定,对温度突变及震动有良好抗力。                


                   

    ☆应用领域:            

    对以上特性有需求的用户   

    版权所有 Copyright © 2018 江苏同方机械制造有限公司
    传真:0523-88698298 88694333 E-mail:jstfjdg@163.com(纪旦根) jstfjxd@163.com(纪晓东)
    地址:江苏泰州市姜堰娄庄工业园区 邮编:225506

    备案号:苏ICP备12012667号-1